097 836-2835
Пн - Пт з 9:00 до 18:00
- 097 439-6335 <>svtsvet@svt.org.ua<>
- Ми у Viber
- Ми у Telegram
- З 9:00 до 18:00 Пн - Пт
- В електронному форматі 24/7
Слава Україні! Героям слава! Ми сильні разом!
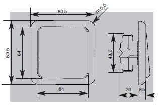
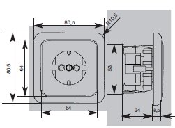
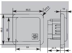
Устройства предназначены для монтажа в существующие электроустановочные коробки типоразмера 60 мм. При использовании монтажных рамок коробки устанавливаются с стандартным расстоянием между ними 71 мм. Для удобства монтажа рекомендуется применение коробок глубиной 42 мм.
| Выключатель Regina
| ![]() |
| Розетка с заземлением Regina | ![]() |
| Диммер светорегулятор с поворотной ручкой Regina | ![]() |
| Выключатель сенсорный | |
| Адаптер наружной установки, основной | ![]() |
| Адаптер наружной установки, добавочный | ![]() |
Габаритные размеры на рамки декоративные установочные серии Regina
Рамка 1-кратная (рамка одноместная, одинарная)

Рамка 2-кратная (рамка двухместная, двойная)

Рамка 3-местная (рамка трехместная, тройная)

Рамка 4-местная (рамка четырехместная, четверная)

Рамка 5-местная (рамка пятиместная, пятирная)





