097 836-2835
Пн - Пт з 9:00 до 18:00
- 097 439-6335 <>svtsvet@svt.org.ua<>
- Ми у Viber
- Ми у Telegram
- З 9:00 до 18:00 Пн - Пт
- В електронному форматі 24/7
Слава Україні! Героям слава! Ми сильні разом!
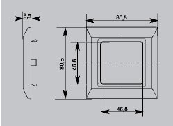
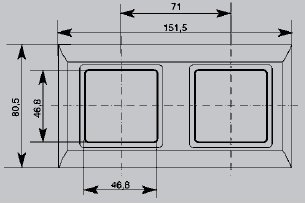
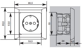
Устройства (розетки и выключатели) предназначены для монтажа в существующие электроустановочные коробки типоразмера 60 мм. При использовании монтажных рамок коробки устанавливаются с стандартным расстоянием между ними 71 мм. Для удобства монтажа рекомендуется применение коробок глубиной 42 мм.
| выключатель серии OPTIMA POLO | ![]() |
| розетка серии OPTIMA POLO | ![]() |
| диммер - светорегулятор поворотный серии OPTIMA POLO | ![]() |
| диммер - светорегулятор сенсорный серии OPTIMA POLO | ![]() |
| Адаптер наружной установки, основной OPTIMA POLO | ![]() |
| Адаптер наружной установки, добавочный OPTIMA POLO | ![]() |
Рамка 1-кратная (рамка одноместная, одинарная)

Рамка 2-кратная (рамка одноместная, одинарная)

Рамка 3-кратная (рамка одноместная, одинарная)

Рамка 4-кратная (рамка одноместная, одинарная)

Рамка 5-кратная (рамка одноместная, одинарная)






