- 097 439-6335 <>svtsvet@svt.org.ua<>
- Ми у Viber
- Ми у Telegram
- З 9:00 до 18:00 Пн - Пт
- В електронному форматі 24/7
Слава Україні! Героям слава! Ми сильні разом!
Компания THEBEN, которая является одним из основных разработчиков точного электротехнического оборудования (датчики движения, датчики присутствия, таймеры и реле времени) выпустила новинку для эффективного управления освещением.

Новые диммеры являются, в отличии от аналогов, универсальным устройством, которое позволяет производить программируемое управление освещением для всех типов нагрузки R, C и L. Существенным моментом является возможность управления не только светильниками с различными типами ламп, но и такой нагрузкой, как, например, вентиляторы, используемые во влажных помещениях. Универсальный диммер производит автоматическое распознавание типа нагрузки и осуществляет мягкий пуск. Мягкое включение позволяет продлить срок службы ламп. Диммеры могут применяться для всех новых типов диммируемых энергосберегающих ламп мощностью до 100 Ватт (230В~), ламп накаливания и галогенных ламп мощностью до 500 Ватт.
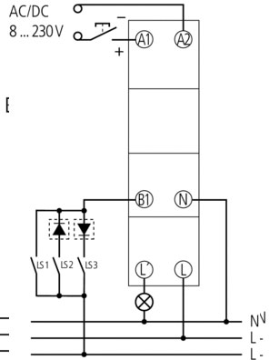
Универсальный диммер THEBEN DIMAX 534 позволяет устанавливать его в схемы с совместно с датчиками движения, присутствия, реле времени, с реле лестничного освещения. Диммер может выдавать предупреждение о выключении света. При поступлении такой команды от диммера свет постепенно снижает свою яркость перед полным выключением.
Универсальный диммер светорегулятор THEBEN DIMAX 534 устанавливается в электрощиток на стандартную DIN-рейку. Диммер сохраняет программы и установки при внезапном исчезновении питания. Комфортный уровень освещенности не надо настраивать по несколько раз, он автоматически сохраняется в памяти диммера. Диммер не имеет ограничений по минимальной нагрузке.
Диммер DIMAX 534 идеально подходит для управления освещением жилых и детских комнат. Удобен и эффективен для использования на лестничных пролетах и коридарах, например, в гостиницах. Он имеет функции "пробуждения" и "сон", а также позволяет установить скорость диммирования.
Купить универсальный диммер DIMAX 534 THEBEN можно со склада компании в Киеве. Контаткные телефоны:(044) 390-0825,(067) 246-1828 илиsvtsvet@svt.org.ua
коментарів: 0 | Залишити коментар