- 097 439-6335 <>svtsvet@svt.org.ua<>
- Ми у Viber
- Ми у Telegram
- З 9:00 до 18:00 Пн - Пт
- В електронному форматі 24/7
Слава Україні! Героям слава! Ми сильні разом!
Все чаще и чаще в своем быту мы выбираем вместо привычной нам лампы накаливания светодиодную лампочку, яркость которой конечно нам также хочется иметь возможность регулировать.

Компания АББ предоставляет такую возможность, предлагая рынку два варианта светорегуляторов для светодиодных регулируемых ламп (т.н. LED-диммеры) с установкой в обычную монтажную коробку: поворотного и нажимного типа регулирования. Также компания АББ предлагает техническое решение для регулирования яркости светодиодных лент. Обо всем подробнее.
15 апреля 2015
Киев, Представительство АББ в Украине

ВАЖЕН как минимум, который настраивается вручную, так и максимум, который соответствует мощности ламп накаливания.
100 Вт => лампы накаливания 25 Вт => регулируемые светодиодные лампы
3. Osram Схема
Для увеличения формата таблицы кликните на картинку

Предупреждение Электрическое напряжение! Опасность для жизни и опасность возникновения пожара: электрическое напряжение 230 В. – Работы в сети с напряжением 230 В могут производиться только специалистами по электрооборудованию! – Перед монтажом / демонтажом оборудования отключить питание!
Светодиодный светорегулятор предназначен для управления освещением в сочетании с элементами управления для поворотных светорегуляторов. Светодиодный светорегулятор представляет собой светорегулятор с импульсно-фазовым управлением и предназначен для включения и регулирования яркости всех ламп, перечисленных в главе „Типы нагрузок“ на стр. 5, в первую очередь категории LEDi (светодиодных ламп с интегрированным пускорегулирующим аппаратом).
Думайте о защите окружающей среды! Отслужившие свой срок электрические и электронные приборы запрещается выбрасывать вместе с бытовым мусором. – Устройство содержит ценные материалы, которые можно пустить в повторное использование. Поэтому после завершения эксплуатации сдайте его в соответствующий пункт приема вторсырья. Все упаковочные материалы и приборы ABB должны иметь маркировку и контрольное клеймо для утилизации, проводимой согласно нормам и правилам. Утилизируйте упаковочный материал и электроприборы / их компоненты только с помощью специализированных пунктов приема вторсырья и служб утилизации. Продукция ABB соответствует специальным требованиям законодательства, в частности, Закону ФРГ об электрическом и электронном оборудовании и Регламенту ЕС об обращении с химическими веществами (REACH). (Директивы ЕС 2002/96/EG WEEE и 2002/95/EG RoHS) (Регламент ЕС REACH и Закон о реализации Регламента (ЕЭС) № 1907/2006) Pos: 11
Общая информация
Допустимые нагрузки
Регулируемые Retrofit LEDi, 230 В~
Регулируемые Retrofit LEDi, 12 В~
Регулируемые энергосберегающие лампы
1) Присоединенная мощность при подключении нагрузок LEDi В диапазоне присоединенной мощности свыше 25 Вт/ВA при подключении нагрузок LEDi по IEC 61000-3-2 необходимы меры по повышению присоединенной мощности не менее чем до 100 ВА, например, применение фильтров подавления гармоник.
Устройство обеспечивает возможность управления работой следующих типов нагрузок:
Допускается использование комбинированных нагрузок. 1) Используйте только трансформаторы типов L или LC. Использование трансформаторов типа C недопустимо. При применении трансформаторов следуйте указаниям изготовителя трансформатора. Обязательно соблюдайте ограничения по минимальной нагрузке. 2) Используйте только те энергосберегающие лампы, которые промаркированы как регулируемые.
I - Указание: Устройство оптимизировано для регулирования светодиодных ламп Philips Retrofit (LEDi).
При работе светорегулятор нагревается, так как часть присоединенной мощности уходит как мощность потерь, преобразовываясь в тепловую энергию. Указанная номинальная мощность рассчитана для монтажа светорегулятора в массивную каменную или кирпичную стену. Если светорегулятор вмонтирован в стену из газобетона, дерева или гипсокартона, максимальная присоединенная мощность должна быть уменьшена на 20%. Снижение присоединенной мощности необходимо также при монтаже нескольких светорегуляторов друг под другом или при наличии рядом дополнительных источников тепла. В сильно нагреваемых помещениях максимальная присоединенная мощность должна быть снижена согласно диаграмме. Для расчета номинальной мощности используется следующая формула: Номинальная мощность = потери трансформатора* + мощность осветительных приборов * для электронных трансформаторов 5% номинальной мощности трансформатора * для обычных трансформаторов 20% номинальной мощности трансформатора
Клемма 4 предусмотрена для эксплуатации с системами деблокировки сети.
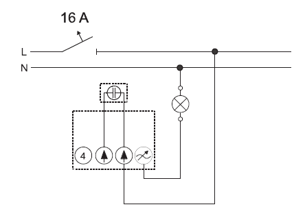
Рис.2: Стандартная эксплуатация: возможные виды нагрузки см. в главе „Типы нагрузок“

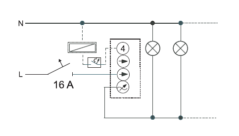
Рис.3: Эксплуатация по схеме включения и выключения с нескольких мест

Рис.4: Выключение выключателем деблокировки сетевого питания

Напомним, что ТОВ "Ассоциация "Светотехника" является официальным партнером компании АВВ в Украине. Постоянно поддерживаются складские запасы по всем направлениям низковольтного оборудования и инсталляции - розетки и выключатели. Цены на сайте заявлены стартовые ПРАЙС грн с НДС. Оптовикам предоставляются скидки. Мы ждем Ваш звонок!
Контактные телефоны: (044) 390-0825 (067) 246-1828(050) 411-6191

коментарів: 0 | Залишити коментар