- 097 439-6335 <>svtsvet@svt.org.ua<>
- Ми у Viber
- Ми у Telegram
- З 9:00 до 18:00 Пн - Пт
- В електронному форматі 24/7
Слава Україні! Героям слава! Ми сильні разом!

Раздел для выбора и заказа: Энергосбережение - Датчик движения
● Прибор потолочного монтажа
● Для различных мест установки: коридор, лестничная клетка, вход, гараж, квартира, офис, конференц-зал и т.п.
● SPHINX 104-360 AP: 1 реле (L') для управления освещением.
● SPHINX 104-360/2 AP: два реле для управления двумя каналами:
- канал 1: Освещение
- канал 2 (безпотенциальный): отопление, вентиляция, кондиционирование.
● Функция ручного ВКЛ/ВЫКЛ (с дополнительным кнопочным выключателем).
● Схема «Master/Slave» параллельной работы нескольких датчиков. Установка уровня освещенности (LUX) и времени задержки выключения (TIME) производится на датчике Master. Датчик Slave служит только для обнаружения присутствия, чтобы увеличить зону контроля.
Опасность для жизни в связи с ударом электрическим током или пожаром!
Монтаж должен проводиться исключительно силами квалифицированных электриков!
● При надлежащем монтаже, прибор соответствует EN 60669-2-1; IP 41 в соответствии с EN 60529.
● Для использования в обычных условиях.
● Предназначен для монтажа в помещениях.
Зона контроля
Рекомендованная высота установки – 2,5-3,5 м.
При высоте 2,5 м диаметр зоны контроля составляет 12 м, при высоте 3,5 – 14 м
| | |
| Зона контроля при h=2,5 м | Зона контроля при h=3,5 м |
Так как датчик присутствия реагирует на колебания температуры, необходимо учесть следующие ситуации:
- Не направлять датчик на предметы с сильно отражающей поверхностью, такие как зеркало, монитор и т.п.
- Не устанавливать датчик в близи источников тепла: вентиляционных отверстий, кондиционеров, светильников и т.п.
- Не направлять датчик на объекты, движущиеся под воздействием ветра: шторы, большие растения и т.п.
- При проведении теста учесть направление движения. При высоте установки 3,5 м, зоной контроля является окружность 14 м в диаметре при движении по касательной и 8 м при движении по радиусу.
Перед выполнением электрического монтажа, обязательно отключить напряжение!
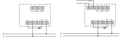
Соединительные клеммы винтового монтажа. К одной клемме можно подключить 3 проводника сечением 1,0-1,2 мм² или 2 – сечением 1,5 мм².
![]() | |
| SPHINX 104-360 AP | SPHINX 104-360/2 AP |
К одному датчику Master можно подключить максимум 10 датчиков Slave.
- На датчиках Slave установить потенциометр LUX в положение Slave (см.раздел 5)
макс.длина 100

- Снять декоративную рамку, освободив потенциометры TIME и LUX и крепежные винты.
- Выкрутить два винта в корпусе датчика.
- Отделить от корпуса датчика днище с помощью отвертки, вставив ее в специальную выемку.

- Днище датчика 4 винтами крепится к потолку.

Предусмотрены 2 возможности ввода кабеля:
- через днище;
- через боковую стенку корпуса датчика;
После выбора варианта ввода, выломать соответствующее отверстие, ввести кабель и подключить к клеммам; длина снятия изоляции: 6-8 мм;
Корпус соединить с днищем, затянуть 2 винта и установить декоративную рамку;
В случае загрязнения датчика, осторожно протереть его сухой, чистой тканью;
Подать напряжение на датчик и провести его тестирование (см. раздел 6).
К клеммам «Ext» и «L» можно подключить дополнительно кнопочный выключатель для ручного управления, независимо от уровня освещенности.
Если освещение выключено, нажав кнопочный выключатель его можно включить, причем оно будет оставаться включенным 30 мин. при присутствии человека. После 30 минут датчик вернется в автоматический режим. Если Вы покинули помещение в течение этих 30 минут и время отсутствия превышает установленную задержку выключения, датчик тоже вернется в автоматический режим, либо если Вы повторно нажмете выключатель.
Если освещение включено, нажав кнопочный выключатель его можно выключить, причем оно будет оставаться выключенным всё время Вашего присутствия в помещении. Если Вы вышли из комнаты, то, после окончания времени задержки выключения, либо повторным нажатием кнопочного выключателя, режим ручного выключения деактивируется, и датчик вернется в автоматический режим.


Потенциометры не устанавливать в промежуточные положения, это может вызвать ложные срабатывания.
Потенциометр LUX можно установить в одно из 6 положений, выбрав соответствующий уровень освещенности: 10/100/300/500/1000/2000/, либо в
положение SLAVE. В этом случае датчик определяет только присутствие человека. Время задержки выключения и уровень освещенности устанавливает датчик Master.
SPHINX 104-360 AP
• Время задержки выключения (TIME): 4 положения: 5 с./3 мин./10 мин./20 мин., а также, положение TEST и (ВКЛ – 1 с.; ВІКЛ – 9 с.)
Режим TEST:
h В этом положении ручки потенциометра работа датчика не зависит от уровня освещенности. При срабатывании датчика, потребитель, а также светодиод, включится на 2 с., а затем снова выключится.
Датчик перейдет в режим ожидания.
SPHINX 104-360/2 AP
• Время задержки выключения (TIME1): 4 положения: 5 с./3 мин./10 мин./20 мин., а также, положение TEST и (ВКЛ – 1 с.; ВІКЛ – 9 с.)
Режим TEST:
В этом положении ручки потенциометра работа датчика не зависит от уровня освещенности. При срабатывании датчика, потребитель, а также светодиод, включится на 2 с., а затем снова выключится.
Датчик перейдет в режим ожидания.
Время задержки включения 2 (TIME2 ON): 4 положения: 0/15 мин./30 мин./60 мин.
Время задержки выключения 2 (TIME2 OFF): 4 положения: 1 мин./30 мин./60 мин./120 мин

Индикация светодиода (LED)
• Светодиоды находятся под линзой датчика.
• Светодиоды играют роль индикаторов при тестировании датчика.
При срабатывании датчика включается красный светодиод и потребитель на 2 с. Пари этом, установка LUX не имеет значения.
• Для отопления (канал 2) зеленый светодиод включается на 40 с.
Проведение теста на обнаружение присутствия человека производится для выбора оптимального места установки датчика и проверки правильности подключения кабелей.
Направление движения при проведении тестирования против часовой стрелки.
Примечание: В стадии разогрева, потребитель и LED включатся на 40 с. Затем можно производить тестирование.
В комплекте с датчиком поставляется три бленды, каждая из которых состоит из трех частей: A, B и C. Каждая часть, в свою очередь, состоит из 4-х участков: I, II, III и IV, каждый из которых закрывает угол примерно в 30°.
При высоте монтажа датчика 2,5 м, в зависимости от установленной бленды, зона контроля составляет:
• окружность диаметром 12 м при удалении частей А+В+С;
• окружность диаметром 10 м при удалении частей В+С;
• окружность диаметром 4 м при удалении части С;
• окружность диаметром 1 м при установке трех бленд (целых)

Удаление частей бленд производят кусачками.
Пример выбора желаемой зоны контроля:

- вырезать необходимую бленду;
- установить бленду на датчик: снять декоративную рамку и вставить бленду выемкой на выступ рамки.

Номинальное напряжение: 230 В~ +10%/-15%
Номинальная частота: 50-60 Гц
Диапазон уровня освещенности: 10-2 000 Лк
Потребляемая мощность: ≈ 1 Вт
Контакт: н.о. (µ)
Коммутационная мощность: 16 А (cos φ=1); 8 А( cos φ=0,3)
Мощность ламп:
- накаливания 2 000 Вт
- галогенные 2 000 Вт
- люминесцентные:
• без компенсации 900 ВА
• с последовательной компенсацией: 900 ВА макс.
• с параллельной компенсацией: 400 ВА (42 µF)
- компактные:
• с ПРА 400 ВА макс.
• с ЭПРА 4х7 Вт, 3х11 Вт, 3х15 Вт, 3х20 Вт
Зона контроля: 360° круговая
- сидящих людей: макс. 4-6 м
- движущихся людей: макс. 12-14 м
Высота установки: 2,5 - 3,5 м
Диапазон установки уровня освещенности:
10/100/300/500/1000/2000 и SLAVE
Задержка выключения:
TIME1 (L’): импульс (1 с.), TEST (2 с.), 5 с., 3 мин., 10 мин., 20 мин.
Только для SPHINX 104-360/2 AP: Канал 2: отопление, вентиляция)
Контакт: н.о. без потенциала, 3 А макс.
Задержка включения:
TIME2 ON (B1-B2): 0/15 мин./30 мин./60 мин.
Задержка выключения:
TIME2 OFF (B1-B2): 1 мин./30 мин./60 мин./120 мин.
Класс защиты: II
Уровень защиты IP41
Температурный диапазон: -10°С ÷ + 55°
Датчики присутствия SPHINX могут управляться с помощью инфракрасных пультов дистанционного управления RC 104 Pro (907 0 536) и RC 104 (907 0 538)
Внимание! Обращайте внимание на коммутируемую нагрузку. В случае механических повреждений датчика или неисправности контактной группы, датчик обмену или возврату не подлежит. Вскрытие прибора и внесение изменений в схему ведёт к прекращению действий гарантийных обязательств. Не содержит вредных веществ. Хранить в сухом месте. Гарантия 1 год.
Производитель - Theben AG
Hohenbergstr. 32
72401 Haigerloch
Tel. +49 (0) 74 74/6 92-0
Fax +49 (0) 74 74/6 92-150
Service:
Tel. +49 (0) 90 01 84 32 36
Fax +49 (0) 74 74/6 92-207
hotline@theben.de
www.theben.de
Обратите внимание на портале на Кабель

