Слава Україні! Героям слава! Ми сильні разом! 

  • Ціни вказані з ПДВ станом на 23 лютого 2026 року довідково та можуть бути змінені. 
  • Мінімальна сума замовлення повинна становити не менше всього 500 ₴ НАЛОЖЕНОГО ПЛАТЕЖУ НЕМАЄ

Щит АВР-300-100А CHINT IP54 KM

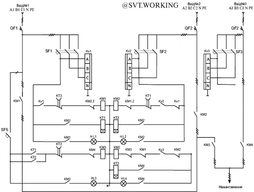
Щит АВР-300 забезпечує автоматичне перемикання між трьома джерелами резервного живлення (3 вводи): два мережевих вводи та один ввід від ДЕС. Передбачені захисні автоматичні вимикачі на вводах; Передбачене механічне та електричне блокування від одночасного спрацювання контакторів; Передбачений механізм видачі сигналу на запуск генератора при зникненні живлення на основному та резервному мережевих вводах; Передбачена індикація режимів роботи схеми; УВАГА! Комплектація, схемне рішення та компоновка може не відповідати прикладу наведеному на ілюстрації Товару і визначається на момент замовлення.

Щит АВР-300-100А CHINT IP54 KM

AVR300100CNTKM
На Замовлення
Написати відгук
Ціна брутто: 72 019.30 
+

Купити Щит АВР-300-100А CHINT IP31 KM під замовлення

  • Купити Щит АВР-300-100А CHINT IP31 KM можна по безготівковому розрахунку
  • Ціна вказана за одиницю з ПДВ
  • Наявність уточнюйте у менеджерів за телефоном: 095 444-6111 (viber, telegram)
  • Присилайте запит на електронну пошту за адресую svtsvet@svt.org.ua
  • У листі вкажіть назву товару, артикул та кількість, а також контактні данні та реквізити платника
  • Щоб купити Щит Щит АВР-300-100А CHINT IP31 KM приватній особі достатньо вказати Прізвище Ім'я та по Батькові
  • Отримати можна після оплати:
    • самостійно со складу компанії в м. Київ вул. Автопаркова, 7
    • Новою поштою пункт видачи за рахунок покупця, якщо інше не обговорено при замовленні
  • Ціни формуються за запитом залежно від схеми та обраної замовником комплектації
Індикація стану роботи:
На дверях
Артикул:
AVR300100CNTKM
Бренд:
АСТ-ЕЛЕКТРО
Відключаюча здатність захисних апаратів Ics:
10 кА
Виробник корпусу:
Білмакс
Габаритні розміри:
В1200xШ800xГ300
Дата редакції характеристик:
18_02_2026
Кількість вводів:
3
Комутаційний пристрій:
Контактор "NC2-115"
Моніторинг мережі:
Перекіс фаз, чергування фаз, наяваність ,діапазон напруги мережі
Номінальна напруга:
230В/400В
Номінальна потужність AC3 (kW):
50 кВт
Номінальний струм AC3:
100A
Попередження:
Відображені на сайті ціни не є публічною офертою та кожна розраховується окремо під схему замовника. Фотографії вказані довідково та можуть відрізнятись від оригіналу.
Сімейство:
АВР
Сальники вводу:
PG 36
Сигнал на запуск ДГ:
"NC" контакт
Система керування:
Релейна
Ступінь захисту IP:
54
Термін виробництва:
Уточнюється на дату замовлення

Де купити

Постачальник:
АСТ-Електро, Київ
Телефон:
Київ 095 444-6111 (viber, telegram)

Замовлення та Термін поставки

Термін поставки:
На Замовлення

Відгуки з сайту не знайдені

Схожі товари

Артикул: AVR600125ETICESKM
Ціна брутто: 108 034.12 
Артикул: AVR600160ETICESKM
Ціна брутто: 132 223.52 
Артикул: AVR20063ETICEMKM
Ціна брутто: 36 829.37 
Артикул: AVR200100ETICEMKM
Ціна брутто: 54 202.99 
Артикул: AVR200125ETICEMKM
Ціна брутто: 86 921.92 
Артикул: AVR200125ETICESKM
Ціна брутто: 74 270.62 

Схожі ціні