- 097 439-6335
- <>svtsvet@svt.org.ua<>
- Мы у Viber
- Мы у Telegram
- С 9:00 до 18:00 рабочие дни
- В электронном формате 24/7
Слава Україні! Героям слава! Ми сильні разом!
Купить этот или другие "Защитное оборудование" со склада компании в Киеве можно по безналичному расчету. Доставка электротехнического и светового оборудования после оплаты производится по согласованию с покупателем в города Украины. Самовывоз бесплатно со склада в Киеве.
Учитывая всю широту и гамму продукции, которую представляет АСТ-Светотехника от своих партнеров, не все товары есть в наличии. Некоторые артикулы поставляются "под заказ" по после предварительной оплаты. Рекомендуем вам просмотреть товары всего раздела "Защитное оборудование
Компания АСТ-Светотехника является оптовым поставщиком электротехнического оборудования и светотехники, поэтому многие продукты можно заказать и купить только в количестве, кратном упаковке.
Заказ на "ZUBRD40t можно разместить на сайте, или направить на нашу почту svtsvet@svt.org.ua. Для получения счета для оплаты товара необходимо указать реквизиты компании-плательщика, а для частного лица ФИО.
Консультации по наличию товара, в частности по наличию артикула "ZUBRD40t" можно получить через электронную почту svtsvet@svt.org.ua или по телефону: (097) 4396335
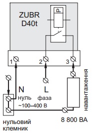
ZUBR 40t - D предназначен для защиты электрооборудования от отклонения напряжения сети (220 В) от заданных пределов.
Границы напряжения верхняя 220–280 В нижняя 120–210 В время отключения во время превышения не больше 0,05 с время отключения во время понижения не больше 1,2 с номинальный ток напряжения 40 А (max ток 50 А в течении 10 минут) Номинальная мощность нагрузки 8800 ВА напряжение питания
не меньше 100 В
не больше 400 В
подключение не больше 16 мм2 Степень пылевлагозащиты IP20
Модели времени отключения при выходе напряжения за пределы

Кривая работы электрооборудования

Схема подключения

Отзывы не найдены