- 097 439-6335
- <>svtsvet@svt.org.ua<>
- Мы у Viber
- Мы у Telegram
- С 9:00 до 18:00 рабочие дни
- В электронном формате 24/7
Слава Україні! Героям слава! Ми сильні разом!
Купить этот или другие "Защитное оборудование" со склада компании в Киеве можно по безналичному расчету. Доставка электротехнического и светового оборудования после оплаты производится по согласованию с покупателем в города Украины. Самовывоз бесплатно со склада в Киеве.
Учитывая всю широту и гамму продукции, которую представляет АСТ-Светотехника от своих партнеров, не все товары есть в наличии. Некоторые артикулы поставляются "под заказ" по после предварительной оплаты. Рекомендуем вам просмотреть товары всего раздела "Защитное оборудование
Компания АСТ-Светотехника является оптовым поставщиком электротехнического оборудования и светотехники, поэтому многие продукты можно заказать и купить только в количестве, кратном упаковке.
Заказ на "ZUBRD32t можно разместить на сайте, или направить на нашу почту svtsvet@svt.org.ua. Для получения счета для оплаты товара необходимо указать реквизиты компании-плательщика, а для частного лица ФИО.
Консультации по наличию товара, в частности по наличию артикула "ZUBRD32t" можно получить через электронную почту svtsvet@svt.org.ua или по телефону: (097) 4396335
ZUBR 32t - D предназначен для защиты электрооборудования от отклонения напряжения сети (220 В) от заданных пределов. Скорость отключения подключенной нагрузки при превышении установленного предела 0,05 с. Этой скорости достаточно, что бы спасти бытовую технику от разрушающего действия высокого напряжения. Встроенная защита от внутреннего перегрева. Возможность корректировки индикации напряжения.
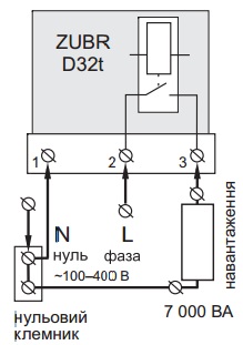
Границы напряжения верхняя 220–280 В нижняя 120–210 В время отключения во время превышения не больше 0,05 с время отключения во время понижения не больше 1,2 с номинальный ток напряжения 32 А (max ток 40 А в течении 10 минут) Номинальная мощность нагрузки 7000 ВА напряжение питания
не меньше 100 В
не больше 400 В
подключение не больше 16 мм2 Степень пылевлагозащиты
IP20
Модели времени отключения при выходе напряжения за пределы

Кривая работы электрооборудования

Схема подключения

Отзывы не найдены