- 097 439-6335
- <>svtsvet@svt.org.ua<>
- Мы у Viber
- Мы у Telegram
- С 9:00 до 18:00 рабочие дни
- В электронном формате 24/7
Купить этот или другие "Розетки и выключатели Schneider" со склада компании в Киеве можно по безналичному расчету. Доставка электротехнического и светового оборудования после оплаты производится по согласованию с покупателем в города Украины. Самовывоз бесплатно со склада в Киеве.
Учитывая всю широту и гамму продукции, которую представляет АСТ-Светотехника от своих партнеров, не все товары есть в наличии. Некоторые артикулы поставляются "под заказ" по после предварительной оплаты. Рекомендуем вам просмотреть товары всего раздела "Розетки и выключатели Schneider
Компания АСТ-Светотехника является оптовым поставщиком электротехнического оборудования и светотехники, поэтому многие продукты можно заказать и купить только в количестве, кратном упаковке.
Заказ на "EPH0500121 можно разместить на сайте, или направить на нашу почту svtsvet@svt.org.ua. Для получения счета для оплаты товара необходимо указать реквизиты компании-плательщика, а для частного лица ФИО.
Консультации по наличию товара, в частности по наличию артикула "EPH0500121" можно получить через электронную почту svtsvet@svt.org.ua или по телефону: (097) 4396335
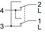
Одноклавишный перекрестный выключатель промежуточный белого цвета 10 А. Используется для управления одним источником света. Применяется только в комплекте с двумя проходными выключателями. Максимальное напряжение 250 В, номинальный ток 10 А. Материал - АБСпластик, отличающийся высокими показателями почности и пожаробезопасности, поверхность защищена от выгорания под действием ультрафиолета. Монтаж скрытый, в монтажную коробку.
Схема подключения

Отзывы не найдены

