- 097 439-6335
- <>svtsvet@svt.org.ua<>
- Мы у Viber
- Мы у Telegram
- С 9:00 до 18:00 рабочие дни
- В электронном формате 24/7
Слава Україні! Героям слава! Ми сильні разом!
Купить этот или другие "Розетки и выключатели LEGRAND" со склада компании в Киеве можно по безналичному расчету. Доставка электротехнического и светового оборудования после оплаты производится по согласованию с покупателем в города Украины. Самовывоз бесплатно со склада в Киеве.
Учитывая всю широту и гамму продукции, которую представляет АСТ-Светотехника от своих партнеров, не все товары есть в наличии. Некоторые артикулы поставляются "под заказ" по после предварительной оплаты. Рекомендуем вам просмотреть товары всего раздела "Розетки и выключатели LEGRAND
Компания АСТ-Светотехника является оптовым поставщиком электротехнического оборудования и светотехники, поэтому многие продукты можно заказать и купить только в количестве, кратном упаковке.
Заказ на "774304 можно разместить на сайте, или направить на нашу почту svtsvet@svt.org.ua. Для получения счета для оплаты товара необходимо указать реквизиты компании-плательщика, а для частного лица ФИО.
Консультации по наличию товара, в частности по наличию артикула "774304" можно получить через электронную почту svtsvet@svt.org.ua или по телефону: (097) 4396335
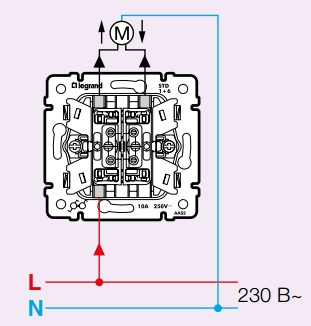
Переключатель с механической блокировкой. Механизм управления приводами рольставней 10 A - 250 В~. Тип подключения - безвинтовые контакты. На корпусе изделия указан шаблон для зачистки кабеля. Поставляются с лицевой панелью цвета слоновая кость, которая изготовлена из прочного, негорючего поликарбоната. Цвет не выгорит при влиянии прямых солнечных лучей. Суппорт, захваты, винты - оцинкованная сталь. Установка в монтажную коробку.
Схема подключения

Габаритный размер

Отзывы не найдены