- 097 439-6335
- <>svtsvet@svt.org.ua<>
- Мы у Viber
- Мы у Telegram
- С 9:00 до 18:00 рабочие дни
- В электронном формате 24/7
Слава Україні! Героям слава! Ми сильні разом!
Купить этот или другие "Автоматика" со склада компании в Киеве можно по безналичному расчету. Доставка электротехнического и светового оборудования после оплаты производится по согласованию с покупателем в города Украины. Самовывоз бесплатно со склада в Киеве.
Учитывая всю широту и гамму продукции, которую представляет АСТ-Светотехника от своих партнеров, не все товары есть в наличии. Некоторые артикулы поставляются "под заказ" по после предварительной оплаты. Рекомендуем вам просмотреть товары всего раздела "Автоматика
Компания АСТ-Светотехника является оптовым поставщиком электротехнического оборудования и светотехники, поэтому многие продукты можно заказать и купить только в количестве, кратном упаковке.
Заказ на "LA9D4002 можно разместить на сайте, или направить на нашу почту svtsvet@svt.org.ua. Для получения счета для оплаты товара необходимо указать реквизиты компании-плательщика, а для частного лица ФИО.
Консультации по наличию товара, в частности по наличию артикула "LA9D4002" можно получить через электронную почту svtsvet@svt.org.ua или по телефону: (097) 4396335
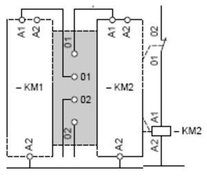
Электромеханическая блокировка для контакторов LC1D80_LC1D95, LC1D80004 со встроенными контактами электрической блокировки.
Схема подключения

Отзывы не найдены