АВТОМАТИЧЕСКИЙ ВВОД РЕЗЕРВНОГО ПИТАНИЯ АВР-600-100
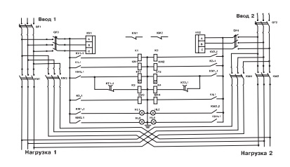
Автоматический ввод резерва, номинальный ток 100 А. Степень пылевлагозащиты IP31. Используются для восстановления питания за счет автоматического присоединения резервных источников питания при отключении рабочего источника питания, приводящем к обесточиванию электроустановок. АВР-600 выполняет те же функции и контролирует те же параметры питающей сетей, что и АВР-500. Отличительной особенностью является наличие двух секционных аппаратов с механическими блокировками. На магнитных пускателях с двумя трехфазными вводами, двумя группами равнозначных нагрузок, с временными задержками на переключение вводов, с секционным магнитным пускателем с механической блокировкой. Оперативное автоматическое переключение с одного ввода на второй происходит при пропадании одной или нескольких фаз питающей сети, изменении чередования фаз, асимметрии фазных напряжений. Изготовлен из металла, обработанного антикоррозийным составом и покрашенного в белый цвет. В комплект поставки входит:
- Ключи от двери
- Паспорт изделия
- Принципиальная схема
Принципиальная схема

Дата оновлення хар-к:
_15_09_2025
Попередження:
Відображені на сайті ціни не є публічною офертою та кожна розраховується окремо під схему замовника. Фотографії вказані довідково та можуть відрізнятись від оригіналу.
Постачальник:
АСТ-Електро, Київ
Телефон:
Київ 095 444-6111 (viber, telegram)
Термін поставки:
На Замовлення